Views: 30 Author: Site Editor Publish Time: 2025-07-21 Origin: Site
Post tension wedges dimensions from different companies's design
Post-tensioning wedges are typically 2-piece or 3-piece components used in post-tensioning systems to grip and anchor steel strands within a concrete structure. Their dimensions vary depending on the strand diameter they are designed to accommodate. For example, 12.7mm (0.5 inch) strands typically use wedges with a length around 30-40mm and an outer diameter of 38mm. Similarly, 15.2mm (0.6 inch) strands may use wedges with a length around 45mm and an outer diameter of 42mm according to Master Construction Technology Sdn Bhd.
Key dimensions for post-tensioning wedges include:
Strand Diameter:
This is the primary factor determining the wedge size. Common strand diameters are 12.7mm (0.5 inch) and 15.2mm (0.6 inch).
Length:
The length of the wedge varies based on the strand diameter, but is typically in the range of 30-50mm.
Outer Diameter:
The outer diameter of the wedge is also influenced by the strand diameter and is generally in the range of 30-45mm.
Number of Pieces:
Wedges can be 2-piece or 3-piece assemblies.
Material:
Post-tensioning wedges are typically made from high-strength steel, such as 20CrMnTi.
Load Capacity:
Wedges are designed to withstand specific tensile loads, which can be in the range of 200-300KN for common strand sizes according to Master Construction Technology Sdn Bhd.
Examples of wedge dimensions:
For 12.7mm (0.5 inch) strands, wedges are often around 38mm in outer diameter and 40mm in length.
For 15.2mm (0.6 inch) strands, wedges are often around 42mm in outer diameter and 45mm in length.
Additional considerations:
Wedges are often used with anchor heads and barrels in a complete post-tensioning system.
Specific wedge dimensions and configurations can vary depending on the manufacturer and the specific project requirements.
Wedges should be selected and installed according to the manufacturer's recommendations and relevant industry standards, such as those from the Post-Tensioning Institute (PTI).
WEDGES active anchor heads for 2 strands dimension

WEDGES anchor head dimension for post-tensioning system

WEDGES anchor head for BBR internal post-tensioning system

WEDGES anchor head, coupler anchor head, coupler sleeve dimension for BBR internal post-tensioning system

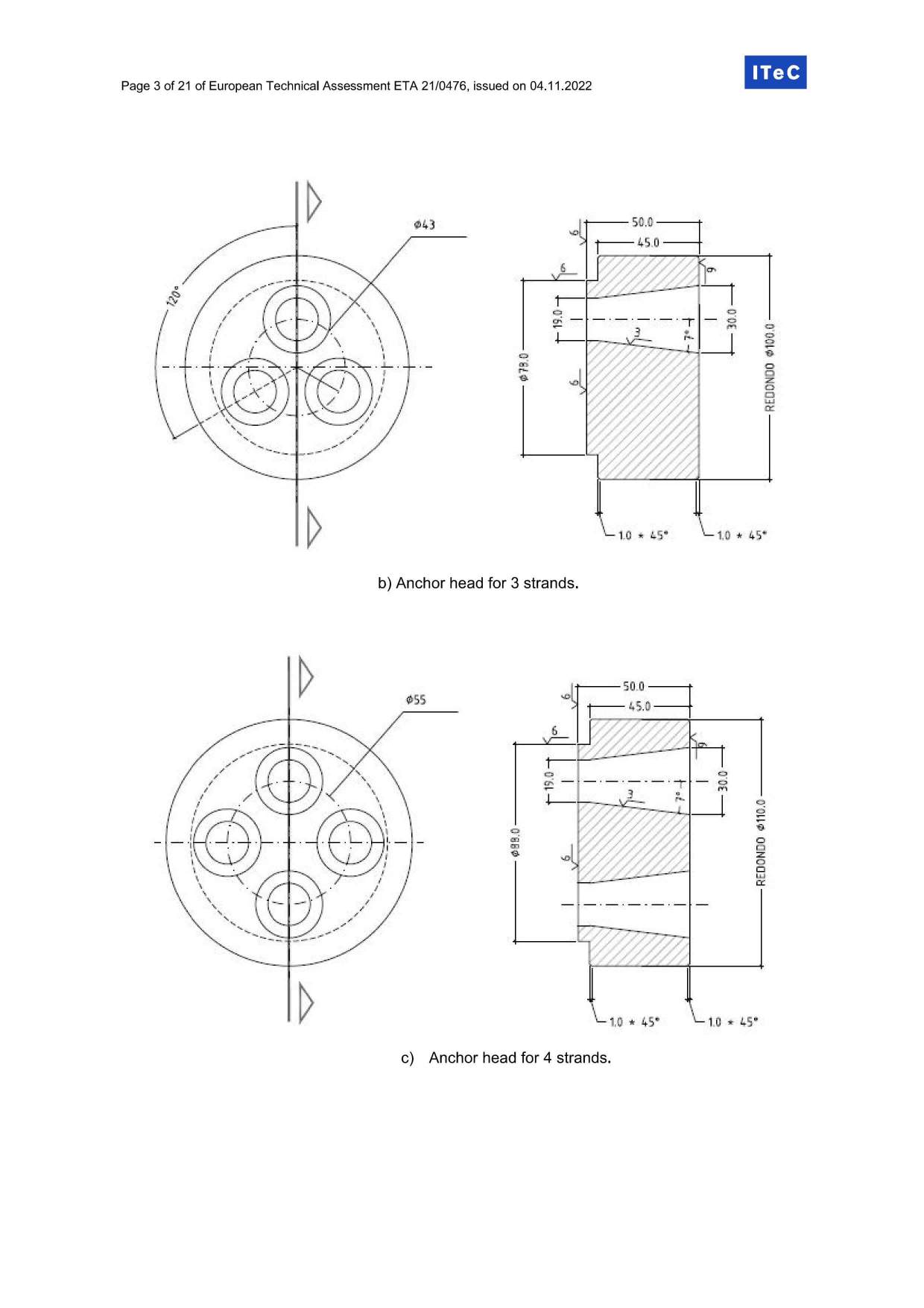
WEDGES anchor heads for 4 strands dimension

WEDGES anchor heads for 6 strands dimension

WEDGES and accessories dimension for BBR internal post-tensioning system

WEDGES and anchor block holes dimension for Tecpresa post-tensioning system

WEDGES and anchor heads for 7 strands dimension

WEDGES compression fittings dimensions for post-tensioning systems

WEDGES cone monstrand dimension for VBT-BI unbonded post-tensioning system

WEDGES cone, hole pattern, duct dimension for Dywidag PT external strand tendon

WEDGES dimension for 15.3 15.7 mm ANP strand anchor post tensioning system

WEDGES Dimension for DSI post-tensioning system

WEDGES Dimension for DYWIDAG SUSPA DSI Unbonded monostrand system

WEDGES dimension sleeve and sleeve nut for CCL XU2 post-tensioning system

WEDGES machined cone dimensions for Mekano4 PT system M

WEDGES Plate dimension for 15.3 15.7 mm ANP strand anchor post tensioning system

WEDGES ring and coical drilling dimension for VBT BE PT system

WEDGES sketch dimension for BBV internal bonded strand post-tensioning system type i

Post tension wedges we will offer
When searching for information about post-tension wedges, some relevant keywords to use include: "post-tensioning wedges," "prestressing wedges," "anchor wedges," "wedge anchorage," "post tensioning components," and "PT wedges." Additionally, you can specify the type of material (e.g., "steel wedges," "FRP wedges") or the specific application (e.g., "bridge post tensioning wedges," "slab post tensioning wedges").
More Specific Keywords:
By Material:
"steel wedges"
"FRP wedges"
"20CrMnTi wedges" (referring to steel grade)
By Application:
"post-tensioning slab wedges"
"bridge post-tensioning wedges"
"external post-tensioning wedges"
"internal post-tensioning wedges"
By Function:
"wedge anchorage system"
"split wedges"
"monoblock wedges"
"working wedges"
"tool wedges"
By Type of Strand/Wire:
"post tension wedge for PC strand"
"post tension wedge for wire"
"post tension wedge for 0.6\" strand"
By Problem/Solution:
"wedge seating loss"
"wedge slippage"
By Standard:
"GB/T2301-2004" (a Chinese standard)
By Manufacturer/Supplier:
"Wedge manufacturer"
"Post Tensioning Institute"
